2020-12-15
一、守护好模具从产品设计开始
1. 避免尖角
钢材在热处理或压铸生产的时候,具有截面急剧变化的工件或者有尖锐槽口的工件、都易于产生裂纹。所以,在产品设计的初期,就要认真考虑如何避免或减少应力的产生。
例一


由于产品形状造成模具结构的的单薄和尖角,导致模具过早出现刮手(龟裂)与开裂的情况。
1. 在满足功能使用的前提下,尽量为料液的填充提供方便
例二

3.在满足功能使用的前提下,尽量做到壁厚均匀
例三

产品开发,既要考虑满足功能方面的要求,更要兼顾模具制造与压铸生产的需求。否则,经历了千辛万苦的批量生产不能顺利进行。损失的,可不只是供应商!
二、严谨的设计是守护好模具的必要条件
1.要以数据“说话”
如果光凭感觉或经验来确定内浇口的面积,就会造成模具温度的超高。所以,从直流道开始,到内浇口、排渣、排气等,都应该围绕着产品来以数据“说话”。
例四

一模两腔。没有根据产品特点来确定内浇口面积,和根据填充要求来布置流道。使得现状是,料液先填满下方,再回填上方。由于内浇口面积小,流量不够。所以,造成上方的冷纹或气孔。
2. 关注“流态”同样重要
初步计算的数据是保证填充时流量的足够。流态的掌握,则是保证避免出现压铸缺陷。使排溢系统的功效得以最大的发挥。
(1)掌握“流态”可以尽量避免压铸缺陷的产生
例五


要消除涡流所产生的冷隔,就必须提高填充速度。因此,也必然要吞下过早出现冲蚀或龟裂的恶果。
例六



由于料液填充到中部时,被迫往两侧跑(如箭头所示),则上端的填充就很难控制了。

如果以黄线为界,分别设计填充的流道,然后再加以统筹、协调。则流态的控制就比较容易。
(2)掌握“流态”可以避免模具温度的飙升
根据产品的结构特点来设计流道,把握好填充的流向、流态和流速。就能把渣包、气槽的位置都设在汇交或最后填充的地方,排泄就会顺畅。让填充时的阻力降到最低,降低能耗。不用通过不断提高压力和速度就可取得合格的产品。减少热量的产生。
3. 温度的控制“方法”不容忽视
材料的热强度随温度的升高而降低,到了临界值,更是急剧下降。
生产中,温度升高主要来源于压铸液体的热量及填充动能转变成的热能。所以,料液温度过高和填充速度过快,都会引起型腔表面的热强度降低。从而加快了材料的冲蚀、粘模、龟裂等让模具失效的状况出现。因此,在保证压铸产品质量的前提下,尽量让模具工作在相对低温的环境下,是延长其寿命的有效方法。
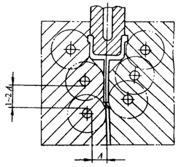
(1)运水冷却的特点
由于钢材具有距离热源A=25mm之内是高温区(即温度随着热量的吸收而不断地升高),25mm以外就会在达到某一温度值之后趋于稳定(即达到某一温度后的数值基本不变)的特点。所以,运水孔应该布置在距离型位20-30mm的地方。
同理,运水孔的距离应该保持在60-70mm。这样,才能既保证各自最大的作用范围,又可以保证互相连接,没有空位。否则,就会出现热节,造成此处模具温度的超高。

(2)运水冷却的主要作用
运水的主要作用是把料液传给模具的热量带走,让模具型腔表面的温度保持在合理的范围。其目的是:
a. 不让传给模具的热量积聚过多。否则,就有因为超出了材料的耐热强度极限而过早出现开裂、龟裂、冲蚀、腐蚀、等现象,直接影响模具的寿命。
b. 因为一般脱模剂的最佳适用模温范围是250—300℃(这是设计其化学成分时就设定了的)。所以,用喷涂作为主要的降温手段是不科学的。不但会过早引起龟裂,而且还会大大降低脱模剂的效果,影响产品顶出。
c. 保证抽芯机构的运作顺畅。
下图表以抽芯配合等级H7/d8为例

滑块与导滑槽的间隙会随温差(滑块温度减到滑槽温度)的增大而减小。到了一定值就会完全没有了间隙。造成滑块卡住,不能正常生产。所以,不但模仁、镶块、分流锥、浇口套要做冷却运水孔。滑块抽芯也应该做。而且还有防止缩孔的作用。
压铸工艺可调节的参数只有压力、速度、温度。所以,能作为的空间有限。浇注系统存在的缺陷,很难通过调节参数来完全弥补。因此,在模具设计阶段就要全面考虑包括结构强度、加工工艺、压铸生产等各方面可能出现的问题及其应对的措施。尤其是在满足压铸生产工艺要求的浇注和冷却系统方面的设计更要特别谨慎。尽量给批量生产一个合理的操作空间。千万不要“模具是我做的,打不出产品是压铸工的事”!
三、极端负责的态度是压铸生产中守护好模具的保证
模具没有预热就直接打高速;就算有运水孔,因为觉得喷涂同样可以起到冷却的作用。于是,就把喷涂作为模具冷却的主要手段等等。这些“野蛮”的操作行为,在中、小型的压铸企业中普遍存在。
没有对保证模具正常使用的“正确操作”的充分认识并加以高度重视是主要的原因。其后果必然会严重影响模具的寿命。这是一种极其不负责任的做法!不但会造成自己、客户、供应商都要面临承受巨大损失的危险。而且,还会极大地制约着压铸行业的健康发展。所以,以“极端负责”的态度,注意工作中的每一个细节,是模具“健康”“长寿”保证。
综 述
产品开发、模具设计与制造、压铸生产都是“模具命运共同体”中最重要的成员。谁想要有“钱”图,都必须互相理解、支持、帮助,共同守护好我们的模具。“同舟”必须“共济”!
服务热线|0757-23322638
地址|广东省佛山市顺德区陈村镇石洲工业区32号